Пошук запчастини за артикулом: 17550

| Виробник - Артикул, Назва |
|
|||||||||
|
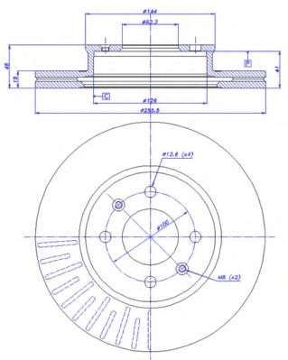
A.B.S.
17550
Гальмівний диск пер. Getz/TB/Click 01-12 ►
Число отверстий в диске колеса: 4
Толщина тормозного диска (мм): 19 Диаметр: 256 мм Высота: 48 мм Тип тормозного диска: вентилируемый |
|
|
||||||||
|
AKS DASIS
17550
сетка радиатора, охлаждение двигателя ►
Номер технической информации: 2/CR
Показати більше властивостей (11) Глубина: 34 мм Вес: 4,6929375 кг Длина: 405 мм Размеры радиатора: 405x515x34 Ширина (мм): 515 Длина 2: 521 мм Длина 1: 521 мм Ширина 1: 67 мм Ширина 2: 67 мм Ограничение производителя: COG/BEDFORD Спецификация: Lötnetz MC Материал: латунь |
||||||||||
|
NRF
17550
сетка радиатора, охлаждение двигателя ►
Глубина: 35 мм
Показати більше властивостей (10) Длина: 405 мм Размеры радиатора: 405x512,2x35 Ширина (мм): 512,2 Длина 1: 521 мм Длина 2: 521 мм Ширина 1: 67 мм Ширина 2: 67 мм Номер технической информации: L3,7S80 Спецификация: Lötnetz MC Ограничение производителя: NRF/BEDFORD Материал: латунь |
||||||||||
|
CAR
17550
Тормозной диск ►
Минимальная толщина: 17 мм
Показати більше властивостей (6) Диаметр: 255 мм Количество отверстий: 4 Толщина тормозного диска (мм): 19 Для артикула №: 142.025 Высота: 48 мм Вес: 5,02 кг Диаметр центрирования: 62,3 мм Тип тормозного диска: с внутренней вентиляцией |
||||||||||
|
RAICAM
17550
Комплект тормозных колодок, дисковый тормоз ►
Ширина 1: 127 мм
Показати більше властивостей (6) Ширина 2: 127 мм Толщина 1: 16,5 мм Толщина 2: 16,5 мм WVA номер: 21544 Высота 2: 50,8 мм Высота 1: 50,8 мм Тормозная система: AKE Датчик износа: вкл. датчик износа |
||||||||||
|
GERI
17550
Радиатор, охлаждение двигателя ►
Толщина: 25 мм
Показати більше властивостей (4) Глубина: 25 мм Ширина (мм): 368 Высота: 770 мм Длина: 770 мм Размеры радиатора: 770x368x25 Материал: алюминий |
||||||||||
|
NPS
17550
Тормозной диск ►
Сторона установки: передний мост
Показати більше властивостей (4) Наружный диаметр: 255,5 мм Количество крепежных отверстий: 2 Количество отверстий: 4 Толщина тормозного диска (мм): 19 Высота: 47,9 мм Внутренний диаметр: 62,2 |
||||||||||
|
CIA
17550
Труба выхлопного газа ►
Сторона установки: спереди
Показати більше властивостей (3) Диаметр: 0 мм Вариант оснащения: 00000000000000001780 Длина: 1300 мм Вес: 2,4 кг Система выпуска ОГ: для среднего глушителя выхлопных газов |
||||||||||
|
FEBI BILSTEIN
17550
Комплект подшипника ступицы колеса ►
Сторона установки: передняя ось, двусторонне
Показати більше властивостей (3) Наружный диаметр: 82 мм Необходимое количество: 2 Ширина (мм): 37 Внутренний диаметр: 45 Конструкция подшипника: радиально-упорный шариковый подшибник |
||||||||||
|
MAPCO
17550
Пыльник, рулевое управление ►
Внутренний диаметр 1(мм): 10
Высота: 230 мм Внутренний диаметр 2 (мм): 46 Материал: резина |
||||||||||
|
EuroFlo
17550
Труба выхлопного газа ►
Сторона установки: спереди
|
||||||||||
|
BREMI
17550
Провод зажигания ► |
||||||||||
|
DAYCO
17550
Клиновой ремень ► |
||||||||||
|
EBERSPÄCHER
17550
Труба выхлопного газа ► |
||||||||||
|
MTS
17550
Труба выхлопного газа ► |
||||||||||
|
WALKER
17550
Средний глушитель выхлопных газов ► |
||||||||||
|
sbs
17550
Тормозной диск ►
Для артикула №: 09.9541.10
Показати більше властивостей (6) Момент затяжки: 100 Нм Минимальная толщина: 17 мм Толщина тормозного диска (мм): 19 Диаметр: 256 мм Количество отверстий: 4 Высота: 48 мм Диаметр центрирования: 62,2 мм Тип тормозного диска: с внутренней вентиляцией |
||||||||||
|
STANDARD
17550
Провод зажигания ►
Длина кабеля: 500 мм
Для патрубка диаметром: 7 мм Распределитель зажигания / ротор: Исполнение соединения DIN Катушка зажигания: Исполнение соединения DIN Провод зажигания: Сопротивление провода зажигания |
||||||||||
|
WALKER PRODUCTS
17550
Предглушитель выхлопных газов ► |
