Пошук запчастини за артикулом: 17631

| Виробник - Артикул, Назва |
|
|||||||||
|
FEBI BILSTEIN
17631
FEBI MAZDA кульова опора нижн.лів./прав. 626 82- ►
Сторона установки: с обеих сторон
С защитным кольцом. Необходимое количество: 2 Наружная резьба: M12 x 1,5 мм |
|
|
||||||||
|
Nexen
17631
Шина 205/65R16 95T WinGuard WinSpike 3 (під шип) (Nexen) ► |
|
|
||||||||
|
Polmostrow
17631
Глушник, алюм. сталь, середн. част. Opel Vectra B 1.6 96-02 (17.631) Polmostrow ► |
|
|
||||||||
|
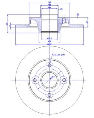
CAR
17631
Тормозной диск ►
Диаметр: 249 мм
Показати більше властивостей (6) Количество отверстий: 4 Для артикула №: 142.1220 Вес: 4,54 кг Диаметр центрирования: 65 мм Высота: 67 мм Минимальная толщина: 8 мм Толщина тормозного диска (мм): 9 Тип тормозного диска: полный |
||||||||||
|
A.B.S.
17631
Тормозной диск ►
Диаметр: 249 мм
Число отверстий в диске колеса: 4 Высота: 67,5 мм Толщина тормозного диска (мм): 9 Тип тормозного диска: полный |
||||||||||
|
NARVA
17631
Лампа накаливания, фонарь указателя поворота; Лампа накаливания, фонарь сигнала торможения; Лампа накаливания, задняя противотуманная фара; Лампа накаливания, фара заднего хода; Лампа накаливания, задний гарабитный огонь; Лампа накаливания, фонарь сигнала торможения; Лампа накаливания, фара заднего хода; Лампа накаливания, задний гарабитный огонь; Лампа накаливания, дополнительный фонарь сигнала торможения; Лампа накаливания, дополнительный фонарь сигнала торможения ►
Напряжение: 12 В
Номинальная мощность: 16 Вт Тип ламп: W16W Исполнение патрона: W2.1x9.5d |
||||||||||
|
POLMO
17631
Предглушитель выхлопных газов ► |
||||||||||
|
sbs
17631
Тормозной диск ►
С комплектом колесного подшипника.
Показати більше властивостей (8) С кольцом сенсора ABS. Для артикула №: 08.9512.27 Диаметр: 249 мм Количество отверстий: 4 Диаметр центрирования: 56 мм Высота: 67,2 мм Минимальная толщина: 7 мм Толщина тормозного диска (мм): 9 Момент затяжки: 90 Нм Тип тормозного диска: полный |
||||||||||
|
TRISCAN
17631
Трос, стояночная тормозная система ►
Тип тормоза: Дисковой механизм
|
||||||||||
|
PEMEBLA
17631
Кронштейн, вентилятор радиатора ► |
