Пошук запчастини за артикулом: 6280

| Виробник - Артикул, Назва |
|
|||||||||
|
SIDEM
6280
SIDEM RENAULT кульова опора з кріпленням! прав./лів Opel Vivaro 06-,Trafic II 06- ►
Сторона установки: передняя ось, двусторонне
Показати більше властивостей (4) С укрепительным материалом. Покатость конуса: 1/5 Размер конуса: 18 мм Только в соединении с: 3 x M12 Размер резьбы 1: MM16x1.5R |
|
|
||||||||
|
ROADHOUSE
6280
Тормозной диск ►
Сторона установки: задний мост
Показати більше властивостей (7) Толщина тормозного диска (мм): 10 Момент затяжки: 110 Нм Диаметр: 279 мм Количество отверстий: 5 Диаметр центрирования: 67 мм Высота: 69,5 мм Минимальная толщина: 8,3 мм Вес: 9,3 кг Тип тормозного диска: полный |
||||||||||
|
TRUSTING
6280
Комплект тормозных колодок ►
Сторона установки: задний мост
Показати більше властивостей (7) С инструкцией по сборке. С колесным тормозным цилидром. Диаметр поршня цилиндра: 17,46 мм Внутрен. диаметр торм.барабан: 180 мм Ширина (мм): 31 Проверочное значение: ECE R90 APPROVED Тормозная система: VAG Тип сборки: предварительная сборка Регулировка / установка: с автоматической регулировкой |
||||||||||
|
RAICAM
6280
Комплект тормозных колодок, дисковый тормоз ►
Сторона установки: задний мост
Показати більше властивостей (6) Без аксессуаров. Ширина (мм): 141,4 Толщина: 17 мм Высота: 50,1 мм Выполняет нормы ЕЭК: E1 Для артикула №: RA.0628.0 Тормозная система: Teves Датчик износа: подготовлено для датчика износа колодок |
||||||||||
|
DEX
6280
Комплект тормозных колодок ►
Сторона установки: задний мост
Показати більше властивостей (4) С колесным тормозным цилидром. Диаметр поршня цилиндра: 17,5 мм Ширина (мм): 31 Диаметр барабана: 180 Тормозная система: TEVES Тип сборки: предварительная сборка |
||||||||||
|
fri.tech.
6280
Комплект тормозных колодок, дисковый тормоз ►
Ширина (мм): 105,4
Показати більше властивостей (4) Толщина: 14,5 мм Высота: 37,9 мм Тормозная система: Akebono Проверочное значение: ECE R90 APPROVED Колебания: с амортизатором колебаний Датчик износа: с звуковым предупреждением износа |
||||||||||
|
FEBI BILSTEIN
6280
Болт крепления колеса ►
Качество / класс: 10.9
Показати більше властивостей (3) Ø головки болта: 30 мм Длина резьбы: 44 мм Длина: 89 мм Наружная резьба: M 20 x 1,5 мм Поверхность: фосфорированный |
||||||||||
|
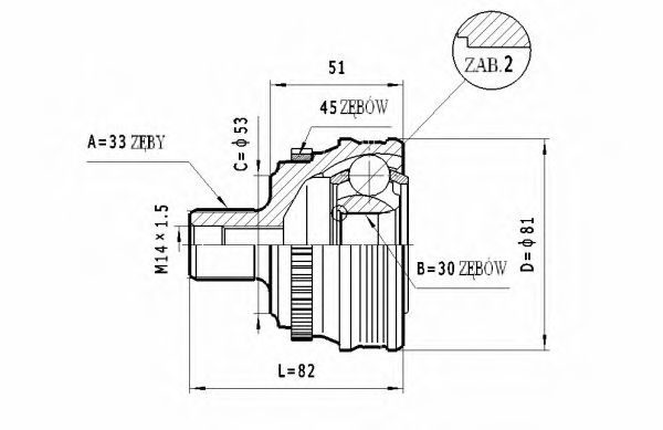
KAMOKA
6280
Шарнирный комплект, приводной вал ►
Наружный диаметр: 81 мм
Показати більше властивостей (3) Внутренне зубчатое соединение со стороны колеса: 30 Внешнее зацепление со стороны колеса: 33 Число зубцов кольца ABS: 45 Диаметр прокладки: 53 мм Тип соединения / сочленения: Шарнир равных угловых скоростей |
||||||||||
|
A.B.S.
6280
Тормозной шланг ►
Сторона установки: внутри
Для оригинального номера: 462106659R |
||||||||||
|
BSF
6280
Комплект тормозов, барабанный тормозной механизм ►
Диаметр цилиндра: 22 мм
Диаметр: 254 мм Ширина (мм): 50 Тормозная система: Bendix Материал: Чугун |
||||||||||
|
BIRTH
6280
Ремкомплект, рычаг переключения ►
Сторона установки: внутри
Внутренний диаметр: 13 Длина: 330 мм Вес: 84 г |
||||||||||
|
SPIDAN
6280
Генератор ►
Ток зарядки от генератора (А): 120
Напряжение: 14 В Ø шкива : 56 мм Ременной шкив: с ременным шкивом свободного хода |
||||||||||
|
FENNO
6280
Труба выхлопного газа ►
Сторона установки: спереди
Длина: 0,48 м Вес: 1,15 кг |
||||||||||
|
NPS
6280
Система выпуска ОГ ►
Длина: 1520 мм
Спецификация: Position 5 |
||||||||||
|
PEX
6280
Комплект тормозных колодок ►
Сторона установки: задний мост
Диаметр: 180 мм Ширина (мм): 38 |
||||||||||
|
SUPLEX
6280
Пружина ходовой части ►
Наружный диаметр: 159 мм
Диаметр: 12,35 мм Длина: 328 мм |
||||||||||
|
KAWE
6280
Нажимной диск сцепления ► |
||||||||||
|
FAE
6280
Стартер ►
Мощность стартера: 1,2 кВт
|
||||||||||
|
MALÒ
6280
Рукав воздухозаборника, воздушный фильтр ►
Версия: USCITA
|
||||||||||
|
WALKER
6280
Труба выхлопного газа ►
Сторона установки: сзади
|
||||||||||
|
EuroFlo
6280
Насадка выпускной трубы ► |
||||||||||
|
FRECCIA
6280
Выпускной клапан ► |
||||||||||
|
PEUGEOT
6280
Поршень ►
С поршневыми кольцами.
Показати більше властивостей (11) Высота пожарного мостка: 12,7 мм Глубина вогнутости 1: 2 мм Ø болта: 25 мм Диаметр вогнутости: 25 мм Номер компонента: 3. DSF 3.0 Cr Степень сжатия (компрессии): 46,8 мм Длина болта: 69,8 мм Номер продукции: 80 L 126 Диаметр цилиндра: 80 мм Длина: 84,5 мм Поверхность: с покрытием |
||||||||||
|
PEMEBLA
6280
Рычаг независимой подвески колеса, подвеска колеса ►
Сторона установки: передний мост справа
Показати більше властивостей (6) Наружная резьба: 12X1,75 мм Внутренний диаметр: 14 Размер конуса: 15 мм Монтажный диаметр: 15 мм Общая высота: 93 мм Размер резьбы: M12x1.75 Тип руля: Треугольный рычаг (грузовой автомобиль) |
||||||||||
|
ATE
6280
Колесный тормозной цилиндр ►
Диаметр: 20,64 мм
|
||||||||||
|
ATI
6280
Приводной вал ►
Сторона установки: передний мост справа
|
||||||||||
|
GATES
6280
Клиновой ремень ►
Длина: 690 мм
|
