Пошук запчастини за артикулом: BS8630

| Виробник - Артикул, Назва |
|
||||||
|
CAR
BS8630
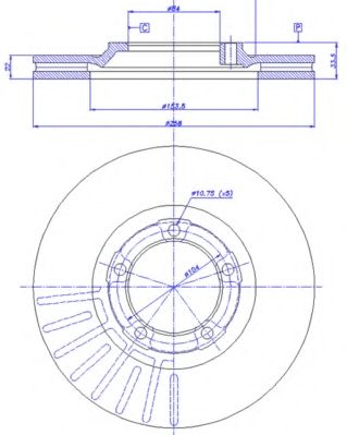
Тормозной диск ►
Минимальная толщина: 20,4 мм
Показати більше властивостей (6) Толщина тормозного диска (мм): 22 Для артикула №: 142.848 Диаметр: 258 мм Высота: 33,5 мм Вес: 4,98 кг Количество отверстий: 5 Диаметр центрирования: 84 мм Тип тормозного диска: с внутренней вентиляцией |
|||||||
|
BRECO
BS8630
Тормозной диск ►
Минимальная толщина: 20,4 мм
Показати більше властивостей (3) Толщина: 22 мм Диаметр: 258,5 мм Высота: 33,5 мм Число отверстий в диске колеса: 5 Диаметр центрирования: 84 мм |
|||||||
|
OPTIMAL
BS8630
Тормозной диск ►
Сторона установки: передний мост
Диаметр: 278 мм Расположение/число отверстий: 4/4 Толщина тормозного диска (мм): 9,5 Тип тормозного диска: полный |
|||||||
|
A.B.S.
BS8630
Тормозной диск ► |
